
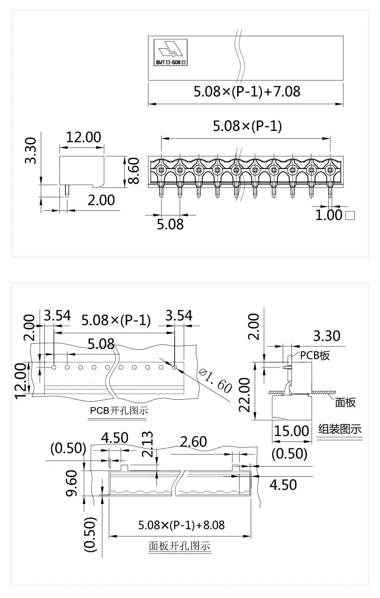
产品描述:单排标准反针插座,插拔式端子台-插座SMTC508,间距5.08mm,位数02p~24p,插拔方向平行于PCB板(反向)
产品分类
产品参数筛选


企业名称:
置恒卓能电气科技(滁州)有限公司
热线电话:
400-803-2001
公司地址:
安徽省滁州市南谯工业开发区乌衣园区芦庄路81号
电子邮箱:
sales@zndlj-china.com
扫码关注我们
Copyright © 置恒卓能电气科技(滁州)有限公司 All rights reserved 皖ICP备16011971号-1
皖公网安备34110302000336
网站地图
法律声明
营业执照
主要产品有:pcb接线端子
轨道式端子
重载连接器
大电流端子